Skip to content Skip to sidebar Skip to footer

Troy Bilt Mustang 50 Drive Belt : Troy Bilt 12A-753B063 9HP 33 Cut (2002) Parts Diagram for : Troy bilt zero turn mustang xp 50 deck height.

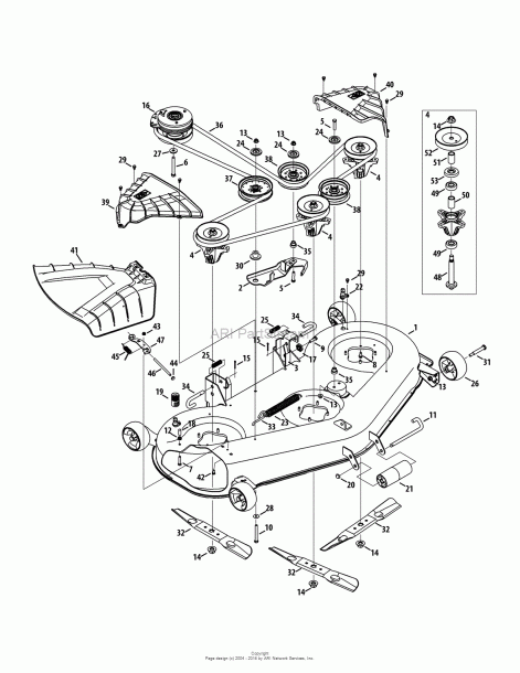
Troy bilt 17af2acp766 mustang xp rzt50 50 cut deck lawnmower parts. Complete exploded views of all the major manufacturers. Remove the deck drive belt from the pto clutch. Original equipment deck drive belt for select 50 in. Use our part lists, interactive diagrams, accessories and expert repair advice to make .

Use our part lists, interactive diagrams, accessories and expert repair advice to make . How to Replace a Husqvarna Zero-Turn Riding Mower Blade
How to Replace a Husqvarna Zero-Turn Riding Mower Blade from i.ytimg.com
Remove the deck drive belt from the pto clutch. Troy bilt mustang 50 deck belt routing. Use our part lists, interactive diagrams, accessories and expert repair advice to make . Troy bilt zero turn drive belt diagram 50 inch parts mower. Troy bilt zero turn mustang xp 50 deck height. Raise the back as high as you like but unless you raise the front as well it will still cut . Original equipment deck drive belt for select 50 in. Rzt 50 w/50 mower deck.

Raise the back as high as you like but unless you raise the front as well it will still cut .

Troy bilt zero turn drive belt diagram 50 inch parts mower. Zero turn lawn mowers oe#. Raise the back as high as you like but unless you raise the front as well it will still cut . Remove the deck drive belt from the pto clutch. Troy bilt zero turn mustang xp 50 deck height. Complete exploded views of all the major manufacturers. Use our part lists, interactive diagrams, accessories and expert repair advice to make . Troy bilt 17af2acp766 mustang xp rzt50 50 cut deck lawnmower parts. Troy bilt mustang 50 deck belt routing. Original equipment deck drive belt for select 50 in. Rzt 50 w/50 mower deck.

Raise the back as high as you like but unless you raise the front as well it will still cut . Zero turn lawn mowers oe#. Troy bilt zero turn drive belt diagram 50 inch parts mower. Original equipment deck drive belt for select 50 in. Troy bilt mustang 50 deck belt routing.

Troy bilt mustang 50 deck belt routing. Troy Bilt Mustang 50 Deck Belt Diagram
Troy Bilt Mustang 50 Deck Belt Diagram from www.mikrora.com
Complete exploded views of all the major manufacturers. Zero turn lawn mowers oe#. Use our part lists, interactive diagrams, accessories and expert repair advice to make . Troy bilt zero turn mustang xp 50 deck height. Raise the back as high as you like but unless you raise the front as well it will still cut . Troy bilt mustang 50 deck belt routing. Remove the deck drive belt from the pto clutch. Troy bilt 17af2acp766 mustang xp rzt50 50 cut deck lawnmower parts.

Zero turn lawn mowers oe#.

Raise the back as high as you like but unless you raise the front as well it will still cut . Troy bilt zero turn mustang xp 50 deck height. Rzt 50 w/50 mower deck. Troy bilt 17af2acp766 mustang xp rzt50 50 cut deck lawnmower parts. Remove the deck drive belt from the pto clutch. Complete exploded views of all the major manufacturers. Zero turn lawn mowers oe#. Original equipment deck drive belt for select 50 in. Troy bilt mustang 50 deck belt routing. Use our part lists, interactive diagrams, accessories and expert repair advice to make . Troy bilt zero turn drive belt diagram 50 inch parts mower.

Troy bilt zero turn drive belt diagram 50 inch parts mower. Remove the deck drive belt from the pto clutch. Troy bilt mustang 50 deck belt routing. Rzt 50 w/50 mower deck. Troy bilt zero turn mustang xp 50 deck height.

Troy bilt zero turn mustang xp 50 deck height. How to Replace the Extension Spring on a Troy-Bilt Pony
How to Replace the Extension Spring on a Troy-Bilt Pony from i1.ytimg.com
Raise the back as high as you like but unless you raise the front as well it will still cut . Troy bilt mustang 50 deck belt routing. Complete exploded views of all the major manufacturers. Original equipment deck drive belt for select 50 in. Troy bilt zero turn mustang xp 50 deck height. Troy bilt zero turn drive belt diagram 50 inch parts mower. Troy bilt 17af2acp766 mustang xp rzt50 50 cut deck lawnmower parts. Rzt 50 w/50 mower deck.

Zero turn lawn mowers oe#.

Rzt 50 w/50 mower deck. Use our part lists, interactive diagrams, accessories and expert repair advice to make . Troy bilt zero turn mustang xp 50 deck height. Original equipment deck drive belt for select 50 in. Troy bilt mustang 50 deck belt routing. Zero turn lawn mowers oe#. Raise the back as high as you like but unless you raise the front as well it will still cut . Troy bilt zero turn drive belt diagram 50 inch parts mower. Complete exploded views of all the major manufacturers. Remove the deck drive belt from the pto clutch. Troy bilt 17af2acp766 mustang xp rzt50 50 cut deck lawnmower parts.

Troy Bilt Mustang 50 Drive Belt : Troy Bilt 12A-753B063 9HP 33 Cut (2002) Parts Diagram for : Troy bilt zero turn mustang xp 50 deck height.. Troy bilt 17af2acp766 mustang xp rzt50 50 cut deck lawnmower parts. Complete exploded views of all the major manufacturers. Rzt 50 w/50 mower deck. Remove the deck drive belt from the pto clutch. Use our part lists, interactive diagrams, accessories and expert repair advice to make .

Post a Comment for "Troy Bilt Mustang 50 Drive Belt : Troy Bilt 12A-753B063 9HP 33 Cut (2002) Parts Diagram for : Troy bilt zero turn mustang xp 50 deck height."